ContentsFirstPreviousHomeNextLast
QCad 用户手册

4. 基本的 CAD 概念

4.1. 对象

对象是在一个 CAD 系统中制图的图形元素。大多数 CAD 系统支持的典型对象是: 点、线、圆弧和椭圆。复杂的对象经常是 CAD 专用的,如多段线、文字、标注、阴影和样条。

4.2. 属性

每个对象都有已知的如颜色、线型、线粗的属性。

4.3. 层

计算机辅助设计的一个基本概念是用层来组织和构造图样。 一个图样的每个对象精确的在一个层上并且一个层可以容纳任意多的对象。 大多数情况下具有共同属性和共同作用的对象集合在一个层上。层有属性 (颜色、线粗、线型)。一个层上的每个对象可以有自己的属性或采用它的层的属性。

图 1 显示了一个使用了层的例图。所有图样的标尺都设在层“dimensions”上。 所有标尺对象的颜色由这个层设定并且可以简单的改变成适合层“dimensions”的颜色。 此外这个图样可以通过隐藏层“dimensions”来显示无标尺的图样。

过去用手工制图的时候经常用相似的方法。不同的建筑部件如电缆在单独的透明纸上设计 并且叠在一起完成最后的图纸。


图 1: 层的应用示例

4.4. 块

一个块是一个对象组。 块可以多次以不同的属性、比例、角度和不同的位置多次插入同样的图形(见图 2)。 所以一个块的实例叫做“Insert”。Insert 和别的对象一样也有属性。 一个 Insert 一部分的对象可以有自己的属性或采用 Insert 的属性。 完成一个 Insert 后总要被联结到块上。块和 Insert 在这里有很大的优点。 当编辑一个块的时候,会对所有由这个块产生的 Insert 产生相应的影响。


图 2: 一个块的有不同颜色、角度、和比例的三个实例(Inserts)。

4.5. 用 CAD 系统制图

偶而回顾一下,用 CAD 设计类似传统的制图。 当您希望在纸上完成一个实际目标的规划或表达,您会用象比例尺、圆规和铅笔一类的工具。 在一个 CAD 系统里提供了很多达到同样目的的工具。 CAD 系统的很大优点是,在设计完成后可以继续修改目标。从纸到 CAD 可能会有些难度。 当您用一个 CAD 系统工作时您经常会做一些在最后的图样上没有的或在其模型上不可见的线和其它对象(见图 3)。 一个新手常见的错误是希望马上完成最终图样的第一条线。


图 3:在辅助作图和存在对象的事后改变的支持下快速完成制图的三个可能步骤

4.6. 坐标系

一个对不同的坐标系的好的理解对于能够正确投入一个 CAD 系统非常重要。 如果您对坐标系还不熟悉,值得花些时间去研究一下。

绝对原点

一个图样的原点是 X 和 Y 轴的的交点。这是这个图样的绝对原点。

相对原点

作为绝对原点的补充在 QCad 中还有相对原点。 相对原点在每一个当前工作步骤后改变它的位置。使用者可以移动它。

直角坐标

直角坐标系是标准的坐标系,其中点的位置通过到两个轴 X 和 Y 的距离确定。 直角坐标在 QCad 中用以下格式表达:

X-坐标,Y-坐标

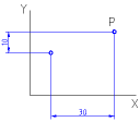
例如坐标 3.5,7 在绝对原点右侧 3.5 个单位和上侧 7 个单位。


图 4: 绝对直角坐标 40,30。

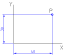
直角坐标可以以它作为另一个位置的绝对原点。在这种关系中也可称之为相对坐标。 在 QCad 中如下表达相对坐标:

@X-坐标,Y-坐标


图 5: 相对直角坐标 @30,10。

极坐标

极坐标用对指定点相关的距离和角定义一个点。角 0 在屏幕上总指向右(东)。 在 QCad 中极坐标如下表示:

距离<角


图 6: 绝对极坐标 50<37。

同直角坐标一样极坐标也可以把另一个点作为原点来测量。 相对极坐标在 QCad 中以如下格式表示:

@距离<角


图 7: 相对极坐标 @31.6<18.4。

4.7. 对象和栅格捕捉

当您必须在 QCad 中确定一个坐标时,你总可以使用捕捉功能。 这允许确定一个栅格点或存在的对象上的特定的点(如端点、中点...) 用来作为当前设计步骤的基础。

4.8. 绘图基础

对象绘制

对象可由各种绘制工具或通过对已有的对象的复制来绘制。 绘制一个对象即规定所有那些对对象的定义必要的点和参数。例如线的端点。

对象选定

选定一个对象之后才能进行删除、复制或修改。对象选定是一个 CAD 系统的一个基本功能。QCad 提供了一个选择工具的宽板,用于选定例如有效对象组、 确定区域内的对象或联结的对象。

删除

删除一个对象的意思是把它从图样中去掉。在 QCad 中删除对象的所有功能都组合在修改功能中。

修改

现存的对象可以用不同的方式修改。一个 CAD 系统的基本功能包括对象的移动、 旋转、反转、放缩。在这些不改变对象特性的功能之上还有一些功能, 如对现有的对象的拆解、延长或拉伸。

4.9. CAD 视图

与手工设计不同,在一个 CAD 系统里没有必要在制图之前确定纸张大小或图样缩放比例。 没有图样的缩放比例:所有的大小和距离都按原始大小绘制。 一个 10m 大的对象以 10m 大对象绘制。 当打印时第一次必须按纸张大小和图样大小缩放图样。 图样自己没被改变并保持 1:1 的比例。

在屏幕上用户可以用变焦功能改变图样当前可视区域。 放大即将视图扩大并使更多的细节可见。缩小即相对的使例如整个图样在屏幕上可见。 一个另外的重要功能是全景。此外同其它应用一样用滚动条改变当前片断。


ContentsFirstPreviousHomeNextLast